Получите консультацию по выбору авто
Mitsubishi CANTER 1998 • 756930 ₽ под ключ из Японии
Надёжный авто с проверенного аукциона ARAI Oyama VT
- Фото и описание
- Аукционный лист
- Стоимость
- Как заказать авто
Импорт не возможен
Даже конструктором
Санкционный авто
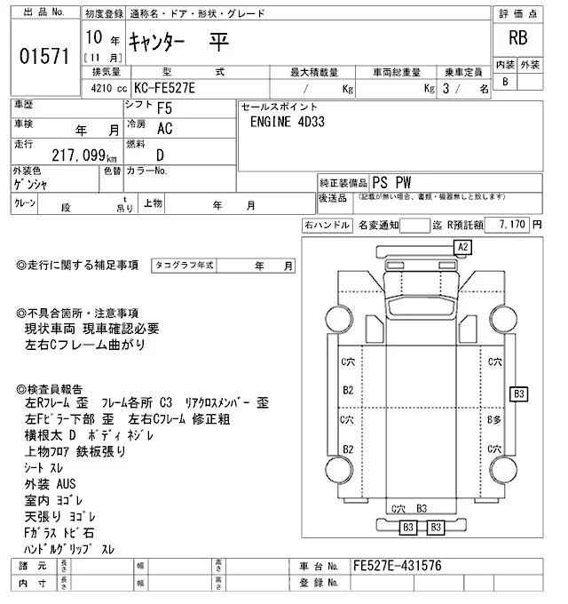
Характеристики авто
- Год: 1998
- Пробег: 217 000 км
- Объём: 4210 cc
- КПП: F5
- Цвет: другой
- Комплектация: Gila
- Кузов: FE527E
Данные аукциона
- Аукцион: ARAI Oyama VT
- Дата: 06.09.2025
- Оценка: RB
Аукционный лист

А1Маленькая царапина
А2Царапина
А3Большая царапина
Е1Небольшая вмятина
Е2Несколько небольших вмятин
Е3Много небольших вмятин
U1Маленькая вмятина
U2Вмятина
U3Большая вмятина
W1Ремонт/покраска (едва обнаружимые)
W2Ремонт/покраска (заментные)
W3Ремонт/покраска (очень заментные, должно быть перекрашено)
S1Малозаметная ржавчина
S2Ржавчина
С1Коррозия
С2Заметная коррозия
PКраска отличается от оригинала
HКраска ухудшилась
XXЗамененный элемент
B1Маленькая вмятина с царапиной (размером с большой палец)
B2Вмятина с царапиной (размером с ладонь)
В3Большая вмятина с царапиной (размером с локоть)
Y1Маленькая трещина
Y2Трещина
Y3Большая трещина
X1Маленькая трещина на ветровом стекле (приблизительно 1 см)
RВосстановленная трещина на ветровом стекле
RXВосстановленная трещина на ветровом стекле (требует замены)
ХЭлемент требует замены
GСкол на стекле (возможна трещина)
Нужна помощь в выборе автомобиля из Японии?
Подберём подходящие лоты, рассчитаем цену под ключ и проконсультируем по доставке. Напишите в WhatsApp — ответим в течение часа.
🚗 8 лет с Японией • 📦 3000+ авто доставлено


Как всё работает?
Короткие видео об этапах покупки авто из Японии
Из чего складывается стоимость автомобиля
Этапы оплаты при заказе авто из Японии
Как проходит покупка автомобиля из Японии
Остались вопросы? Напишите в WhatsApp — подскажем по вашей ситуации.