Средние цены автомобилей с аукционов Японии под полную пошлину смотрите на нашем сайте в каталоге с конечными ценами в России (с учетом расчета пошлины и актуальных курсов валют).
Nissan CLIPPER VAN 2020 • 698200 ₽ под ключ из Японии
Надёжный авто с проверенного аукциона NPS Tokyo Nyusatsu
- Фото и описание
- Аукционный лист
- Стоимость
- Комплектации
- Как заказать авто
Цена в Японии503 000 ¥
Цена в России
Под полную пошлину со всеми расходами.
Комиссия компании входит в стоимость. 698 201 ₽
Под полную пошлину со всеми расходами.
Комиссия компании входит в стоимость. 698 201 ₽
- 🛡 Цена под ключ — без скрытых платежей
- 🚛 Доставка в РФ и растаможка включены
- 🧾 Комиссия Tokai Auto уже включена
🔥 Курс йены низкий — выгодное время для покупки!
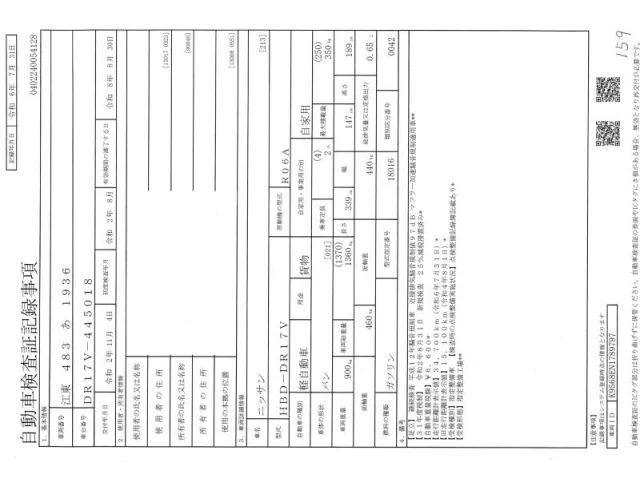
Характеристики авто
- Год: 2020
- Пробег: 46 000 км
- Объём: 660 cc
- КПП: DAT
- Цвет: белый
- Комплектация: GX H/R
- Кузов: DR17V
Данные аукциона
- Аукцион: NPS Tokyo Nyusatsu
- Дата: 23.09.2025
- Оценка: R
Аукционный лист

А1Маленькая царапина
А2Царапина
А3Большая царапина
Е1Небольшая вмятина
Е2Несколько небольших вмятин
Е3Много небольших вмятин
U1Маленькая вмятина
U2Вмятина
U3Большая вмятина
W1Ремонт/покраска (едва обнаружимые)
W2Ремонт/покраска (заментные)
W3Ремонт/покраска (очень заментные, должно быть перекрашено)
S1Малозаметная ржавчина
S2Ржавчина
С1Коррозия
С2Заметная коррозия
PКраска отличается от оригинала
HКраска ухудшилась
XXЗамененный элемент
B1Маленькая вмятина с царапиной (размером с большой палец)
B2Вмятина с царапиной (размером с ладонь)
В3Большая вмятина с царапиной (размером с локоть)
Y1Маленькая трещина
Y2Трещина
Y3Большая трещина
X1Маленькая трещина на ветровом стекле (приблизительно 1 см)
RВосстановленная трещина на ветровом стекле
RXВосстановленная трещина на ветровом стекле (требует замены)
ХЭлемент требует замены
GСкол на стекле (возможна трещина)
Дополнительными расходами может быть "сверхнормативное" хранение в порту, согласно СВХ "ВАТ": с 6-8 сутки по 1000р, 9-10 сутки по 2000р, с 11 суток по 5000р. Так же, в случае оформления а/м на физ лицо с пропиской не ДВФО, брокер предоставляет либо услугу оформления на ДВ физика стоимостью 20000р или регистрация ФЛ стоимостью 10000р. Вся представленная на сайте информация, касающаяся технических характеристик, наличия на складе, стоимости товаров, носит информационный характер и ни при каких условиях не является публичной офертой, определяемой положениями Статьи 437(2) Гражданского кодекса РФ.
Дополнительными расходами может быть "сверхнормативное" хранение в порту, согласно СВХ "ВАТ": с 6-8 сутки по 1000р, 9-10 сутки по 2000р, с 11 суток по 5000р. Вся представленная на сайте информация, касающаяся технических характеристик, наличия на складе, стоимости товаров, носит информационный характер и ни при каких условиях не является публичной офертой, определяемой положениями Статьи 437(2) Гражданского кодекса РФ.
Дополнительными расходами может быть "сверхнормативное" хранение в порту, согласно СВХ "ВАТ": с 6-8 сутки по 1000р, 9-10 сутки по 2000р, с 11 суток по 5000р. Вся представленная на сайте информация, касающаяся технических характеристик, наличия на складе, стоимости товаров, носит информационный характер и ни при каких условиях не является публичной офертой, определяемой положениями Статьи 437(2) Гражданского кодекса РФ.
Полная стоимость авто
Курс валют ЦБ на сегодня:
1$ - 81,0090₽
100¥ - 55,0440₽
Курс валют в коммерческих банках:
1$ - 83,33₽
100¥ - 57,79₽
Нужна помощь в выборе автомобиля из Японии?
Подберём подходящие лоты, рассчитаем цену под ключ и проконсультируем по доставке. Напишите в WhatsApp — ответим в течение часа.
🚗 8 лет с Японией • 📦 3000+ авто доставлено


Как всё работает?
Короткие видео об этапах покупки авто из Японии
Из чего складывается стоимость автомобиля
Этапы оплаты при заказе авто из Японии
Как проходит покупка автомобиля из Японии
Остались вопросы? Напишите в WhatsApp — подскажем по вашей ситуации.