Средние цены автомобилей с аукционов Японии под полную пошлину смотрите на нашем сайте в каталоге с конечными ценами в России (с учетом расчета пошлины и актуальных курсов валют).
Nissan SERENA 2018 • 2035104 ₽ под ключ из Японии
Надёжный авто с проверенного аукциона NAA Fukuoka
- Фото и описание
- Аукционный лист
- Стоимость
- Комплектации
- Как заказать авто
Цена в Японии1 040 000 ¥
Цена в России
Под полную пошлину со всеми расходами.
Комиссия компании входит в стоимость. 2 039 198 ₽
Под полную пошлину со всеми расходами.
Комиссия компании входит в стоимость. 2 039 198 ₽
- 🛡 Цена под ключ — без скрытых платежей
- 🚛 Доставка в РФ и растаможка включены
- 🧾 Комиссия Tokai Auto уже включена
🔥 Курс йены низкий — выгодное время для покупки!
Характеристики авто
- Год: 2018
- Пробег: 84 000 км
- Объём: 2000 cc
- КПП: IAT
- Цвет:
- Комплектация: Highway Star -V Selection
- Кузов: GFC27
Данные аукциона
- Аукцион: NAA Fukuoka
- Дата: 30.09.2025
- Оценка: 3.5
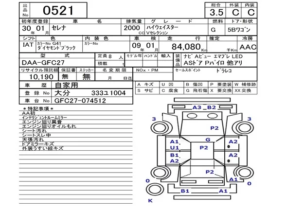
Аукционный лист

А1Маленькая царапина
А2Царапина
А3Большая царапина
Е1Небольшая вмятина
Е2Несколько небольших вмятин
Е3Много небольших вмятин
U1Маленькая вмятина
U2Вмятина
U3Большая вмятина
W1Ремонт/покраска (едва обнаружимые)
W2Ремонт/покраска (заментные)
W3Ремонт/покраска (очень заментные, должно быть перекрашено)
S1Малозаметная ржавчина
S2Ржавчина
С1Коррозия
С2Заметная коррозия
PКраска отличается от оригинала
HКраска ухудшилась
XXЗамененный элемент
B1Маленькая вмятина с царапиной (размером с большой палец)
B2Вмятина с царапиной (размером с ладонь)
В3Большая вмятина с царапиной (размером с локоть)
Y1Маленькая трещина
Y2Трещина
Y3Большая трещина
X1Маленькая трещина на ветровом стекле (приблизительно 1 см)
RВосстановленная трещина на ветровом стекле
RXВосстановленная трещина на ветровом стекле (требует замены)
ХЭлемент требует замены
GСкол на стекле (возможна трещина)
Дополнительными расходами может быть "сверхнормативное" хранение в порту, согласно СВХ "ВАТ": с 6-8 сутки по 1000р, 9-10 сутки по 2000р, с 11 суток по 5000р. Так же, в случае оформления а/м на физ лицо с пропиской не ДВФО, брокер предоставляет либо услугу оформления на ДВ физика стоимостью 20000р или регистрация ФЛ стоимостью 10000р. Вся представленная на сайте информация, касающаяся технических характеристик, наличия на складе, стоимости товаров, носит информационный характер и ни при каких условиях не является публичной офертой, определяемой положениями Статьи 437(2) Гражданского кодекса РФ.
Дополнительными расходами может быть "сверхнормативное" хранение в порту, согласно СВХ "ВАТ": с 6-8 сутки по 1000р, 9-10 сутки по 2000р, с 11 суток по 5000р. Вся представленная на сайте информация, касающаяся технических характеристик, наличия на складе, стоимости товаров, носит информационный характер и ни при каких условиях не является публичной офертой, определяемой положениями Статьи 437(2) Гражданского кодекса РФ.
Дополнительными расходами может быть "сверхнормативное" хранение в порту, согласно СВХ "ВАТ": с 6-8 сутки по 1000р, 9-10 сутки по 2000р, с 11 суток по 5000р. Вся представленная на сайте информация, касающаяся технических характеристик, наличия на складе, стоимости товаров, носит информационный характер и ни при каких условиях не является публичной офертой, определяемой положениями Статьи 437(2) Гражданского кодекса РФ.
Полная стоимость авто
Курс валют ЦБ на сегодня:
1$ - 81,0090₽
100¥ - 55,0440₽
Курс валют в коммерческих банках:
1$ - 84,15₽
100¥ - 57,83₽
Комплектации для NISSAN SERENA
2018
Выпуск 2018.9~
Модификация | Кузов | Двигатель | Привод | кпп | Объем, л | Мощн, л.с. | Топливо | Цена, ¥ | |
---|---|---|---|---|---|---|---|---|---|
E-POWER AUTECH | DAA-HFC27 | HR12DE | FF | CVT | 1198cc | 84ps(62kW)/6000rpm | AИ-92 | 3 821 040 | |
AUTECH SPORTS SPEC | DAA-GC27 | MR20DD | FF | CVT | 1997cc | 150ps(110kW)/6000rpm | AИ-92 | 3 572 640 | |
AUTECH SAFETY PACKAGE | DAA-GNC27 | MR20DD | Full-time 4WD | CVT | 1997cc | 150ps(110kW)/6000rpm | AИ-92 | 3 517 560 | |
NISMO | DAA-GFC27 | MR20DD | FF | CVT | 1997cc | 150ps(110kW)/6000rpm | AИ-92 | 3 424 680 | |
AUTECH V PACKAGE | DAA-GNC27 | MR20DD | Full-time 4WD | CVT | 1997cc | 150ps(110kW)/6000rpm | AИ-92 | 3 350 160 | |
AUTECH SAFETY PACKAGE | DAA-GC27 | MR20DD | FF | CVT | 1997cc | 150ps(110kW)/6000rpm | AИ-92 | 3 324 240 | |
AUTECH | DAA-GNC27 | MR20DD | Full-time 4WD | CVT | 1997cc | 150ps(110kW)/6000rpm | AИ-92 | 3 223 800 | |
G | DAA-GNC27 | MR20DD | Full-time 4WD | CVT | 1997cc | 150ps(110kW)/6000rpm | AИ-92 | 3 140 640 | |
HIGHWAY STAR V SELECTION II | DAA-GFNC27 | MR20DD | Full-time 4WD | CVT | 1997cc | 150ps(110kW)/6000rpm | AИ-92 | 3 135 240 | |
AUTECH V PACKAGE | DAA-GC27 | MR20DD | FF | CVT | 1997cc | 150ps(110kW)/6000rpm | AИ-92 | 3 116 880 | |
HIGHWAY STAR G | DAA-GFC27 | MR20DD | FF | CVT | 1997cc | 150ps(110kW)/6000rpm | AИ-92 | 3 016 440 | |
AUTECH | DAA-GC27 | MR20DD | FF | CVT | 1997cc | 150ps(110kW)/6000rpm | AИ-92 | 2 990 520 | |
HIGHWAY STAR | DAA-GFNC27 | MR20DD | Full-time 4WD | CVT | 1997cc | 150ps(110kW)/6000rpm | AИ-92 | 2 971 080 | |
X V SELECTION II | DAA-GNC27 | MR20DD | Full-time 4WD | CVT | 1997cc | 150ps(110kW)/6000rpm | AИ-92 | 2 906 280 | |
HIGHWAY STAR V SELECTION II | DAA-GFC27 | MR20DD | FF | CVT | 1997cc | 150ps(110kW)/6000rpm | AИ-92 | 2 874 960 | |
G | DAA-GC27 | MR20DD | FF | CVT | 1997cc | 150ps(110kW)/6000rpm | AИ-92 | 2 853 360 | |
X | DAA-GNC27 | MR20DD | Full-time 4WD | CVT | 1997cc | 150ps(110kW)/6000rpm | AИ-92 | 2 748 600 | |
HIGHWAY STAR | DAA-GFC27 | MR20DD | FF | CVT | 1997cc | 150ps(110kW)/6000rpm | AИ-92 | 2 683 800 | |
X V SELECTION II | DAA-GC27 | MR20DD | FF | CVT | 1997cc | 150ps(110kW)/6000rpm | AИ-92 | 2 662 200 | |
X | DAA-GC27 | MR20DD | FF | CVT | 1997cc | 150ps(110kW)/6000rpm | AИ-92 | 2 504 520 | |
S | DBA-C27 | MR20DD | FF | CVT | 1997cc | 150ps(110kW)/6000rpm | AИ-92 | 2 440 800 |
Выпуск 2018.3~
Модификация | Кузов | Двигатель | Привод | кпп | Объем, л | Мощн, л.с. | Топливо | Цена, ¥ | |
---|---|---|---|---|---|---|---|---|---|
E-POWER AUTECH | DAA-HFC27 | HR12DE | FF | CVT | 1198cc | 84ps(62kW)/6000rpm | AИ-92 | 3 821 040 | |
E-POWER HIGHWAY STAR V | DAA-HFC27 | HR12DE | FF | CVT | 1198cc | 84ps(62kW)/6000rpm | AИ-92 | 3 404 160 | |
E-POWER HIGHWAY STAR | DAA-HFC27 | HR12DE | FF | CVT | 1198cc | 84ps(62kW)/6000rpm | AИ-92 | 3 178 440 | |
E-POWER XV | DAA-HC27 | HR12DE | FF | CVT | 1198cc | 84ps(62kW)/6000rpm | AИ-92 | 3 128 760 | |
E-POWER X | DAA-HC27 | HR12DE | FF | CVT | 1198cc | 84ps(62kW)/6000rpm | AИ-92 | 2 968 920 |
Выпуск 2018.2~
Модификация | Кузов | Двигатель | Привод | кпп | Объем, л | Мощн, л.с. | Топливо | Цена, ¥ | |
---|---|---|---|---|---|---|---|---|---|
AUTECH SPORTS SPEC | DAA-GC27 | MR20DD | FF | CVT | 1997cc | 150ps(110kW)/6000rpm | AИ-92 | 3 567 240 | |
AUTECH SAFETY PACKAGE | DAA-GNC27 | MR20DD | Full-time 4WD | CVT | 1997cc | 150ps(110kW)/6000rpm | AИ-92 | 3 512 160 | |
AUTECH V PACKAGE | DAA-GNC27 | MR20DD | Full-time 4WD | CVT | 1997cc | 150ps(110kW)/6000rpm | AИ-92 | 3 344 760 | |
AUTECH SAFETY PACKAGE | DAA-GC27 | MR20DD | FF | CVT | 1997cc | 150ps(110kW)/6000rpm | AИ-92 | 3 318 840 | |
AUTECH | DAA-GNC27 | MR20DD | Full-time 4WD | CVT | 1997cc | 150ps(110kW)/6000rpm | AИ-92 | 3 218 400 | |
HIGHWAY STAR V SELECTION | DAA-GFNC27 | MR20DD | Full-time 4WD | CVT | 1997cc | 150ps(110kW)/6000rpm | AИ-92 | 3 194 640 | |
AUTECH V PACKAGE | DAA-GC27 | MR20DD | FF | CVT | 1997cc | 150ps(110kW)/6000rpm | AИ-92 | 3 111 480 | |
AUTECH | DAA-GC27 | MR20DD | FF | CVT | 1997cc | 150ps(110kW)/6000rpm | AИ-92 | 2 985 120 | |
HIGHWAY STAR V SELECTION | DAA-GFC27 | MR20DD | FF | CVT | 1997cc | 150ps(110kW)/6000rpm | AИ-92 | 2 934 360 | |
X V SELECTION | DAA-GNC27 | MR20DD | Full-time 4WD | CVT | 1997cc | 150ps(110kW)/6000rpm | AИ-92 | 2 918 160 | |
X V SELECTION | DAA-GC27 | MR20DD | FF | CVT | 1997cc | 150ps(110kW)/6000rpm | AИ-92 | 2 674 080 |
Нужна помощь в выборе автомобиля из Японии?
Подберём подходящие лоты, рассчитаем цену под ключ и проконсультируем по доставке. Напишите в WhatsApp — ответим в течение часа.
🚗 8 лет с Японией • 📦 3000+ авто доставлено


Как всё работает?
Короткие видео об этапах покупки авто из Японии
Из чего складывается стоимость автомобиля
Этапы оплаты при заказе авто из Японии
Как проходит покупка автомобиля из Японии
Остались вопросы? Напишите в WhatsApp — подскажем по вашей ситуации.