Nissan X-TRAIL 2015 • 1644197 ₽ под ключ из Японии
Надёжный авто с проверенного аукциона NAA Fukuoka

  • Фото и описание
  • Аукционный лист
  • Стоимость
  • Как заказать авто
Цена в Японии444 000 ¥
Цена в России
Под полную пошлину со всеми расходами.
Комиссия компании входит в стоимость.
1 644 197 ₽
  • 🛡 Цена под ключ — без скрытых платежей
  • 🚛 Доставка в РФ и растаможка включены
  • 🧾 Комиссия Tokai Auto уже включена

🔥 Курс йены низкий — выгодное время для покупки!

Характеристики авто

  • Год: 2015
  • Пробег: 102 000 км
  • Объём: 2000 cc
  • КПП: FAT
  • Цвет: стальной синий
  • Комплектация: 20X Emergency Brake PKG
  • Кузов: NT32

Данные аукциона

  • Аукцион: NAA Fukuoka
  • Дата: 17.02.2026
  • Оценка: R

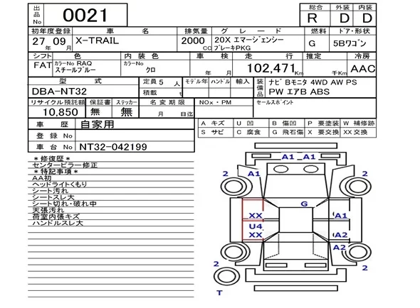
Аукционный лист

А1Маленькая царапина
А2Царапина
А3Большая царапина
Е1Небольшая вмятина
Е2Несколько небольших вмятин
Е3Много небольших вмятин
U1Маленькая вмятина
U2Вмятина
U3Большая вмятина
W1Ремонт/покраска (едва обнаружимые)
W2Ремонт/покраска (заментные)
W3Ремонт/покраска (очень заментные, должно быть перекрашено)
S1Малозаметная ржавчина
S2Ржавчина
С1Коррозия
С2Заметная коррозия
PКраска отличается от оригинала
HКраска ухудшилась
XXЗамененный элемент
B1Маленькая вмятина с царапиной (размером с большой палец)
B2Вмятина с царапиной (размером с ладонь)
В3Большая вмятина с царапиной (размером с локоть)
Y1Маленькая трещина
Y2Трещина
Y3Большая трещина
X1Маленькая трещина на ветровом стекле (приблизительно 1 см)
RВосстановленная трещина на ветровом стекле
RXВосстановленная трещина на ветровом стекле (требует замены)
ХЭлемент требует замены
GСкол на стекле (возможна трещина)
Показать все

Средняя стоимость автомобиля во Владивостоке со всеми расходами:

1 644 197

Стоимость на аукционе:

242 024  ¥

Тариф для санкционных авто

38 157 ₽ 70 000 ¥
  • 5 % от стоимости авто, но не менее 70.000 йен. Курс для перевода йен в рубли может отличаться.

Расходы по Японии

70 863 ₽ 130 000 ¥
  • Налоги
  • Комиссии
  • Подготовка экспортных документов
  • Подготовка экспортных документов
  • Доставка в город/порт отправки
Могут меняться в зависимости от удаленности расположения автомобиля к ближайшему городу/порту для дальнейшей отправки автомобиля.

Доставка в Россию

204 413 ₽ 375 000 ¥
  • Средние сроки доставки около 3-х месяцев.

Комиссия компании Токай Авто на санкционные авто

100 000 ₽

Расходы в России

75 000 ₽
  • Получение документов
  • Оформление декларации
  • Выгрузка автомобиля
  • Хранение 5-7 дней на СВХ
  • Услуги брокера
  • Получение СБКТС и ЭПТС

Транспортировка авто в лабораторию

5 500 ₽
  • Приемка автомобиля
  • Фотоопись
  • Транспортировка в лабораторию
  • Транспортировка на стоянку компании

Таможенные платежи:

903 040
  • Сборы за таможенное оформление: 2 464
  • Пошлина (4.8 Евро за 1 см3): 900 576

Утилизационный сбор (20000 руб. x 0.26):

5 200
Внимание! Расчет утилизационного сбора ориентировочный. Точный расчет вам поможет сделать менеджер, для этого надо знать верное значение мощности для данной модели и модификации.
Дополнительными расходами может быть "сверхнормативное" хранение в порту, согласно СВХ "ВАТ": с 6-8 сутки по 1000р, 9-10 сутки по 2000р, с 11 суток по 5000р. Так же, в случае оформления а/м на физ лицо с пропиской не ДВФО, брокер предоставляет либо услугу оформления на ДВ физика стоимостью 20000р или регистрация ФЛ стоимостью 10000р. Вся представленная на сайте информация, касающаяся технических характеристик, наличия на складе, стоимости товаров, носит информационный характер и ни при каких условиях не является публичной офертой, определяемой положениями Статьи 437(2) Гражданского кодекса РФ.
Японская частьиены (¥)рубли (₽)
Цена на аукционе 242 024
Расходы по Японии 100 000 ¥ 54 510
Таможенная чистка 150 000
Эвакуатор 10 000
Российская частьрубли (₽)
Распил и фрахт 76 653
Комиссия компании 40 000
Сборка 20 000
Дополнительными расходами может быть "сверхнормативное" хранение в порту, согласно СВХ "ВАТ": с 6-8 сутки по 1000р, 9-10 сутки по 2000р, с 11 суток по 5000р.  Вся представленная на сайте информация, касающаяся технических характеристик, наличия на складе, стоимости товаров, носит информационный характер и ни при каких условиях не является публичной офертой, определяемой положениями Статьи 437(2) Гражданского кодекса РФ.
Японская частьиены (¥)рубли (₽)
Цена на аукционе 242 024
Расходы по Японии 90 000 ¥ 49 059
Эвакуатор 10 000
Российская частьрубли (₽)
Разбор и фрахт 76 653
Таможенная чистка 150 000
Комиссия компании 40 000
Сборка конструктора 20 000
Дополнительными расходами может быть "сверхнормативное" хранение в порту, согласно СВХ "ВАТ": с 6-8 сутки по 1000р, 9-10 сутки по 2000р, с 11 суток по 5000р.  Вся представленная на сайте информация, касающаяся технических характеристик, наличия на складе, стоимости товаров, носит информационный характер и ни при каких условиях не является публичной офертой, определяемой положениями Статьи 437(2) Гражданского кодекса РФ.

Полная стоимость авто

Средние цены автомобилей с аукционов Японии под полную пошлину смотрите на нашем сайте в каталоге с конечными ценами в России (с учетом расчета пошлины и актуальных курсов валют).

Курс валют ЦБ на сегодня: 1$ - 80,7190₽ 100¥ - 50,8850₽

Курс валют в коммерческих банках: 1$ - 85,17₽ 100¥ - 54,51₽

Нужна помощь в выборе автомобиля из Японии?

Подберём подходящие лоты, рассчитаем цену под ключ и проконсультируем по доставке. Напишите в WhatsApp — ответим в течение часа.

🚗 8 лет с Японией • 📦 3000+ авто доставлено

Консультации по подбору Павел

Павел

Консультации по подбору

Консультации по подбору Александр

Александр

Консультации по подбору

Как всё работает?

Короткие видео об этапах покупки авто из Японии

Из чего складывается стоимость автомобиля

Этапы оплаты при заказе авто из Японии

Как проходит покупка автомобиля из Японии

Остались вопросы? Напишите в WhatsApp — подскажем по вашей ситуации.